首页
个人求职
企业招聘
行业资讯
最新企业招聘
最新人才求职
关于我们
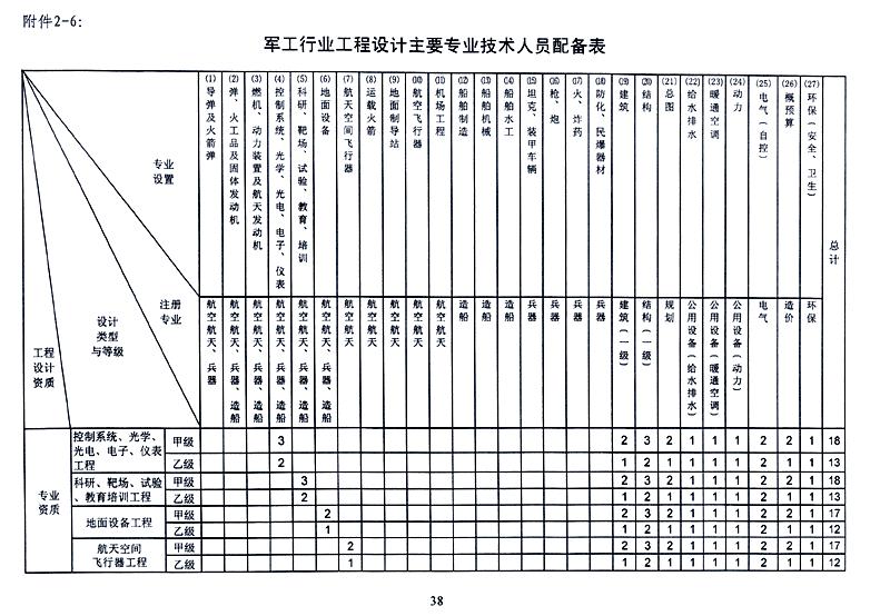
军工行业工程设计主要人员配备表1
发布时间: 2010-09-17 文章来源:
【打印本页】
|
【复制文章地址】
关于印发 建设工程企业资质管理制度...
2020年最新建设工程企业资质征求...
住房和城乡建设部办公厅关于建设工程...
住房和城乡建设部办公厅关于取消一级...
住房和城乡建设部关于改进住房和城乡...
山东省住房和城乡建设厅关于印发《山...
住房城乡建设部办公厅关于取消建筑业...
2018年第二十一批申请一级注册建...
开考啦!!关于做好2016年度全国...
个人所得税法修改1年 工薪纳税者减...
福建龙岩工厂地面突现30米深坑6人...
工程设计资质标准
关于领取企业资质证书的有关说明
济南华强广场目前项目已动工
“人丽资本”真的那么重要吗?
北京高档住宅价格逆势上涨 CBD区...
鲁ICP备19045012号
在线客服系统